手機:13827297626
電話:13827297626
郵箱:435281082@qq.com
地址:廣東省東莞市樟木頭鎮圩鎮荔苑路7號星耀國際
發布時間:2019-10-29 點此:5280次
單圈電位器RV24YN20S B102 B202 B502 B103 B203 B503 B104廠家批發價格:0.5~4元/個
RV24 常用阻值都有現貨,拍下請備注阻值
特殊阻值拍下請咨詢,如RV24 B501 B254
B105 B104 B303等等型號
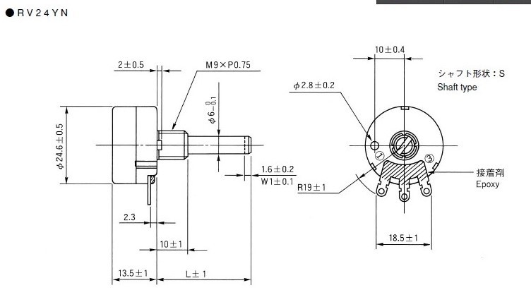
名稱:RV24YN20S 單圈 炭膜電位器
軸徑:6mm..軸端開槽
標準軸長:20mm
外徑:24MM
標準阻值范圍:B 500Ω -1MΩ.
現貨阻值:1K 2K 3K 5K 10K 20K 30K 50K 100K 200K 500K 等常用阻值
阻值公差: ±10%
機械行程:300°±5°
溫度范圍:-10℃--85℃
旋轉壽命:20,000轉
功率:2W
用途:1、用作分壓器;2、用作變阻器;3、用作電流控制器;


單圈碳膜是在電位器中應用較為廣泛的類別,它的電阻體是研磨的碳黑、石英、石墨等原材料,涂敷于電位器基體的表面而形成的。它的工藝比較簡單,原材料比較平民化,所以碳膜電位器備受市場青睞。碳膜電位器有大型、小型、微型幾種,有的和開關一起組成帶開關電位器。它是在馬蹄形的紙膠板上涂上一層碳膜制成。
碳膜電位器原理
從外觀看,脈沖電位器與普通電位器一樣都是三個引腳,但在其內部與引腳1、2相連的是兩個長短不一的金屬靜片,與引腳3相連的是一周有12或24個齒的金屬動片。當脈沖電位器旋轉時可出現四種狀態:即引腳3與引腳1相連,引腳3與引腳2及引腳1全相連;引腳3與引腳2相連,引腳3與引腳2及引腳1全斷開。
碳膜電位器的特點
碳膜電位器有大型、小型、微型幾種,有的和開關一起組成帶開關電位器。它是在馬蹄形的紙膠板上涂上一層碳膜制成。其阻值變化和中間觸頭位置的關系有直線式、對數式和指數式三種。較常用的是直徑在6mm左右阻值變化為直線式的碳膜電位器,也有和開關組成一體的,叫碳膜開關電位器。
碳膜電位器的優點:壽命高,分辯力高,耐磨性好。
碳膜電位器的缺點:非線性, 耐潮性能比較弱,電流噪聲大,阻值穩定性比較差。
電位器有分為單圈可調和多圈可調,屬于精密一起的一種,在廣東不少高新企業的產品里面都有應用,穎鑫電子為各大公司供應不同規格型號的可調電位器。如果客戶不知道想要哪種詳細類型,下面發布多種型號供客戶采購選擇,推薦選擇可調節環保類型的。
電位器主要是分為一下七種詳細的類型:

一.帶開關電位器:在精密電位器上附加有開關設備。開關與精密電位器同軸,開關的運動與控制辦法分為旋轉式和推拉式兩。
二.實心電位器:是用石英粉、石墨、碳黑、有機粘合劑等制作的材料混合加熱后壓在塑料基體上,再經加熱聚合而成。 優點:阻值規劃寬、耐磨性好、分辨率高、可靠性高、體積小;缺點:噪聲大、耐高溫性差。 實心精密電位器可分為對數式實心精密電位器、直線式實心精密電位器、小型實心精密電位器。
三.金屬膜精密電位器:電阻體是用金屬復合膜、金屬氧化膜、金屬合金膜、氧化鉭膜材料始末真空技術堆積在陶瓷基體上制成的。優點:分辨率高、滑動噪聲較組成碳膜精密電位器小;缺點:耐磨性欠好、阻值規劃小。
四.單圈電位器與多圈精密電位器:單圈精密電位器的滑動臂只能在不到3600的規劃內旋轉,普通用于音量控制,多圈精密電位器的轉軸每轉一圈,滑動臂觸點在電阻體上僅改動很小一段距離,其滑動臂從一個極點方位到另一個極點方位時,轉軸需求轉變多圈。
五.線繞電位器:其電阻體是由電阻絲繞在非金屬板上或者是涂有絕緣材料的金屬制成的。優點是:精度高、噪聲低、功率大、穩定性好;缺點是:高頻特性較差。線繞精密電位器又分直滑式精密多圈線繞精密電位器、普通線繞精密電位器、精密多圈線繞精密電位器、普通多圈線繞精密電位器、函數式精密多圈線繞精密電位器等。
六.組成碳膜電位器:是當時運用較多的一種精密電位器。它的電阻體是用石英粉、碳黑、石墨、有機粘合劑等制作的混合物,涂在膠木板或玻璃纖維板上制成的。 優點:分辨率高、阻值規劃寬;缺點:滑動噪聲大、耐熱耐濕性欠好。組成碳膜精密電位器又分為直滑式組成碳膜精密電位器、普通組成碳膜精密電位器、帶開關小型組成碳膜精密電位器、雙聯異軸無開關/帶開關精密電位器、單聯帶開關/無開關精密電位器、雙聯同軸無開關/帶開關精密電位器、小型精密組成碳膜精密電位器、推拉開關組成碳膜精密電位器、精密多圈組成碳膜精密電位器等。
七.雙聯電位器與單聯精密電位器:雙聯精密電位器通常是將兩個規范相同的精密電位器裝在同一轉軸上,調度轉軸時,兩個精密電位器的滑動觸點同步轉變。也有部分雙聯精密電位器為異步異軸;單聯精密電位器是由一個獨立的轉軸控制一組精密電位器。
穎鑫電子公司提供客戶各種想要不同類型的電位器價格,推薦選擇環保品牌資質的供應商。電位器的用途很廣泛,根據不同的功能和不同的行業,可以定制加工不同性能。
相關推薦